(мультиплексорів)
Мультиплексор – операційний вузол ЕОМ, який здійснює мікрооперацію передачі сигналу з одного із своїх інформаційних входів на один вихід.

Рис.2.9. Структурна схема мультиплексора
- інформаційні входи;
- адресні входи.
Роботу мультиплексора можна описати через логічну функцію наступного виду:
.

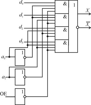
Рис.2.10. Внутрішня структура MUX 4:1
Вхід ОЕ працює аналогічно входу ОЕ дешифратора (обнуляє, якщо ОЕ=1, або переводить у третій стан при наявності каскадів з третім станом (див. Частина 2, глава 1, §1.2).

Рис.2.11. Умовне графічне позначення мультиплексора 8:1
Умовне позначення мультиплексора,який здійснює передачу інформації (0 або 1) з входів
на вхід у прямому або інверсному виді, показано на рисунку.
Вибір входу, що перемикає на вихід, здійснюється подачею на входи
двійкового коду адреси. У відповідності з цим входи
називаються інформаційними, а входи
- адресними. Деякі мультиплексори мають також дозволяючий (стробуючий) вхід V. При V=1 робота мультиплексора заборонена, оскільки в цьому випадку значення вихідного сигналу Х не залежить від значень сигналів на інформаційних та адресних входах й приймає значення 0. При V=0 вихід Х приймає значення, обумовлене кодом адреси та значенням входу, що комутується.